- BHP
-
DYNAMOMETRIA
-
ELEKTRONARZĘDZIA
- Zestawy elektronarzędzi
- Akumulatory i ładowarki
- Wiertarki i wiertarko-wkrętarki
- Szlifierki i polerki
- Piły, pilarki, wyrzynarki
- Młoty kujące, młotowiertarki, wiertnice
- Klucze udarowe
- Zakrętarki
- Grzechotki
- Urządzenia pomiarowe
- Odkurzacze
- Radia i głośniki
- Bruzdownice
- Zaciskarki, obcinaki, gwintownice
- Narzędzia ogrodowe
- Narzędzia wielofunkcyjne
- Pozostałe elektronarzędzia
- Osprzęt
-
MATERIAŁY TNĄCE, ŚCIERNE, WIERTŁA
- NARZĘDZIA MONTAŻOWE
-
NARZĘDZIA POMIAROWE I TRASERSKIE
- Średnicówki
- Grubościomierze
- Płytki wzorcowe
- Suwmiarki
- Głębokościomierze
- Mikrometry
- Komparatory
- Czujniki zegarowe
- Wysokościomierze
- Liniały i linijki
- Miary zwijane
- Miary składane
- Poziomnice
- Pryzmy i płyty traserskie
- Kątowniki
- Kątomierze
- Szczelinomierze i sprawdziany
- Narzędzia traserskie
- Znakowanie
- Sondy i łaty pomiarowe
- Zestawy narzędzi pomiarowych
- Lokalizatory
-
NARZĘDZIA RĘCZNE
- Zestawy narzędziowe
- Klucze
- Klucze trzpieniowe
- Narzędzia nasadowe
- Końcówki BIT
- Gwoździe i zszywki
- Wkrętaki
- Ściągacze
- Narzędzia do pobijania
- Nitowanie
-
Szczypce
- Szczypce nastawne
- Szczypce uniwersalne
- Szczypce płaskie
- Szczypce półokrągłe i okrągłe
- Szczypce tnące boczne
- Szczypce tnące czołowe
- Szczypce do izolacji
- Szczypce do pierścieni osadczych
- Szczypce do skręcania linek
- Szczypce zaciskowe
- Szczypce tynkarskie
- Szczypce do tworzyw sztucznych
- Szczypce do złącz
- Pozostałe
- Zestawy szczypiec
- Narzędzia tnące
- Ściski i zwornice
- Imadła
- Narzędzia do rur
- Narzędzia do smarowania
- Narzędzia do przeciągania przewodów
- Pozostałe narzędzia ręczne
-
NARZĘDZIA SPECJALISTYCZNE
-
Motoryzacja
- Ogólne wyposażenie warsztatu
- Wymiana oleju i filtrów
- Narzędzia do świec
- Obsługa układów elektrycznych
- Obsługa pojazdów elektrycznych i hybrydowych
- Obsługa silnika
- Obsługa układu rozrządu
- Obsługa skrzyni biegów i sprzęgła
- Obsługa układu hamulcowego
- Obsługa zawieszenia
- Narzędzia do kół i układu kierowniczego
- Przyrządy do obsługi karoserii
- Narzędzia do szyb
- Wyposażenie samochodu serwisowego dla obsługi maszyn budowlanych
- Nieiskrzące
-
Dla elektryków
- Narzędzia do zdejmowania izolacji
- Szczypce do zaciskania
- Szczypce izolowane
- Wkrętaki izolowane
- Klucze izolowane
- Narzędzia nasadowe izolowane
- Matryce do szczypiec zaciskowych
- Narzędzia do okablowania
- Narzędzia do przeciągania przewodów
- Wycinaki do otworów
- Mierniki
- Rękawice ochronne i maty izolacyjne
- Pozostałe narzędzia izolowane
- Zestawy dla elektryków
- Lotnictwo
- Dla elektroników
- Do pracy na wysokości
-
Motoryzacja
- OŚWIETLENIE
- PNEUMATYKA
-
PRZECHOWYWANIE
- POZOSTAŁE
TAS14S09 - Elektroniczny wkrętak dynamometryczny, pomiar momentu i kąta, 1/4" kwadrat, 0,45-9 Nm
- Symbol: TAS14S09
- EAN: 7314150423217
-
Bahco
• Wyjście z zabierakiem kwadratowym ▇ 1/4"
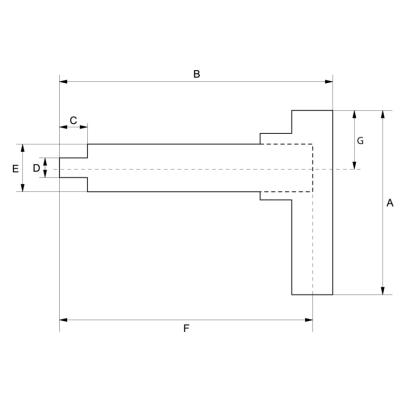
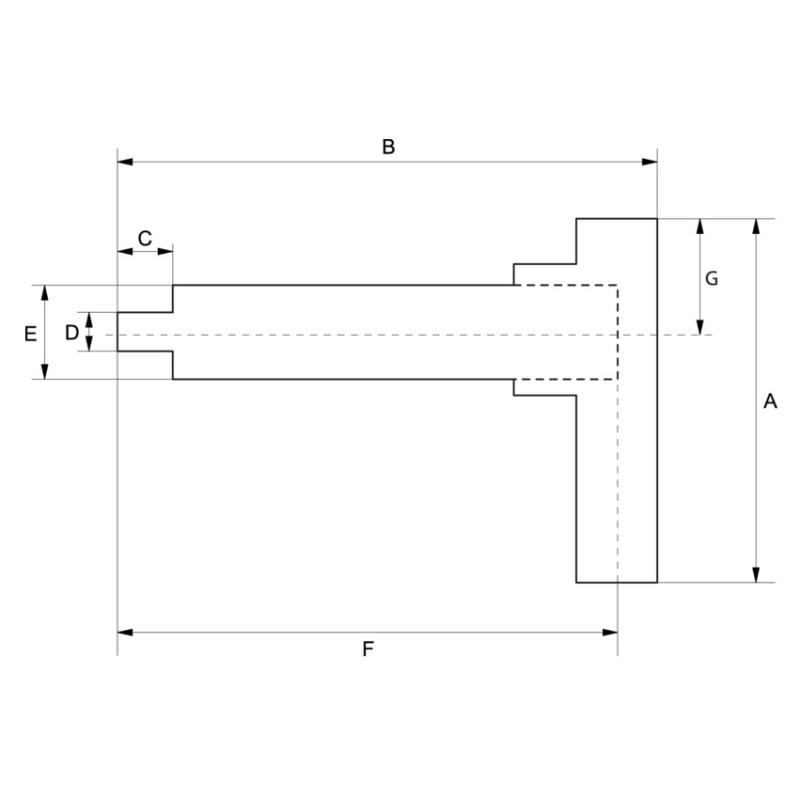
• A: 130 mm
• B: 226 mm
• C: 12 mm
• D: 11 mm
• E: 32 mm
• F: 189 mm
• G: 40 mm
• Waga: 0,325 kg
• Jednostki momentu w Nm, kg.cm, cN.m, ft.lb, in.lb, in.oz oraz jednostki kątowe w stopniach.
• Do pracy w prawo i w lewo.
• Dokładność ±2% w prawo oraz 3% w lewo w przedziale od 20%-100% maksymalnej wartości momentu.
• Sygnał wizualny (pasek diod LED dookoła wkrętaka + podświetlany ekran LCD), dźwiękowy i wibracyjny.
• Wyjście z sześciokatnym gniazdem żeńskim z magnesem 1/4" lub zabierakiem kwadratowym 1/4".
• Wytrzymała, kompozytowa trójpłaszczyznowa obudowa zapewniająca lepsze operowanie wkrętakiem.
• Niewielka zagłębiona membranowa klawiatura z blokadą przycisków uniemożliwiającą niezamierzoną zmianę ustawionego momentu podczas operowania wkrętakiem.
• Komora na pojedyńczą baterię alkaliczną AA (w zestawie).
• Dodatkowy kompozytowy uchwyt w kształcie litery L zapewnia operatorowi większe przełożenie i kontrolę podczas przykładania siły lub kąta w wyższych zakresach momentów.
• Dostarczane w półprzeźroczystych plastikowych pudełkach z uchem do powieszenia.
• Wszystkie klucze dostarczane z fabrycznym świadectwem kalibracji spełniającym normy międzynarodowe.
• ISO 6789.
• Made in USA.
- Symbol: TAS14S09
- Wyjście: 1/4"
- L [mm]: 189.00
- Waga [kg]: 0.33
- Nm min: 0.45
- Nm max: 9.00
- In-lb min: 4.00
- In-lb max: 80.00
- Dokładność: ±2%
Zapytaj o produkt
TAS14S09 - Elektroniczny wkrętak dynamometryczny, pomiar momentu i kąta, 1/4" kwadrat, 0,45-9 Nm
*pola wymagane